|
 |
| |
| PERFORMANCE
The performance of this new generation of motors is 10-15% higher than the separate excitation motors one and 5% higher than the old permanent magnet motors one.
On request all motors are available also at 1680 rpm.
EASY CONTROL
The couple of these motors is directly proportional to the current at all speeds included between zero and the maximum rpm.
RESPONSE RAPIDITY
New Syncroflow permanent magnet motors have an inertia which is 10-15% lower than the tubolar motors having the same power. This allows an easier dimensioning of the motor, especially in the applications with speeder duty-cycle.
All these characteristics, together with the IP44 standard closed execution and with the wide range of accessories (tacho-generators, brakes, encoders, resolvers) enable the application of our motors wherever it is necessary to electronically regulate the speed. |
|
| |
In many applications, the environment can be decisive in the choice of a certain kind motor driving. Therefore, starting from our permanent magnet motor, we have developed a motor that is completely protected from water and dust with high resistance from aggressive chemical agents.
The result is our waterproof motor which perfectly satisfies the following requirements:
- airtight IP6x
- watertight IPx7
- in accordance with the NEMA-CSA-CEI-UL regulations
- chemical agents and aggressive substances resistant
In this way, it is available an airtight motor with easy access to the brushes and to the possible accessories that are applied to.
All edges are joined within a radius of 5 meters to permit an easy cleaning of the motor.
There are two versions of this motor:
- with flange and shell of steel CK 45 with chemical agent resistant varnishing
- with flange and shell of austenitic steel
APPLICATIONS
Up to now, the production of d.c. motor with high protection grade was limited by the costs and the dimensions of the motor itself. The customers were forced to use in most cases motovariators or at maximum asynchronous motors with consequent problems with the range regulations and no possibility of controlled and regenerative braking.
The most important fields in which our new motor can be used are the following:
- Industries in which the motor is subjected to dirty, dust and water: printing machines, textile machines, stone saw, ceramic tooling machines, transport plants in particular environments, purifiers and pumps
- Food industries :
machines for creameries, packaging machines, bottling machines, labelling machines, washing machines and conveyers
- Chemical industries and paper mills:
in all chemical processes where are present all agents to which our motor are resistant: pumps in the paper mills, pumps in the purifiers, petrochemical industries, galvanic machines and machines for the development of films.
Our technicians are at your complete disposal for analysing new possibilities for the application of our motors in your field. |
|
|
TYPE |
Power (Kw) |
d.c. (A) |
Nominal torque (Nm) |
(rpm) |
Armature (V) |
J (Kg-m2) |
Performances (%) |
FF |
Weight (Kg) |
|
3412/24 |
0,12 |
1,2 |
0,48 |
2400 |
170 |
0,33-10-3 |
60 |
1,05 |
3,6 |
|
3418/24 |
0,18 |
1,6 |
0,73 |
2400 |
170 |
0,36-10-3 |
67 |
1,05 |
3,8 |
|
3425/24 |
0,25 |
2,1 |
1,00 |
2400 |
170 |
0,52-10-3 |
70 |
1,05 |
4,2 |
|
4610/24 |
0,18 |
1,5 |
0,73 |
2400 |
170 |
0,64-10-3 |
70 |
1,3 |
7,0 |
|
4622/24 |
0,25 |
1,9 |
1,0 |
2400 |
170 |
1,20-10-3 |
78 |
1,05 |
8,0 |
|
4630/24 |
0,37 |
2,7 |
1,5 |
2400 |
170 |
1,60-10-3 |
80 |
1,05 |
9,5 |
|
4640/24 |
0,55 |
3,8 |
2,3 |
2400 |
170 |
2,30-10-3 |
85 |
1,05 |
11,5 |
|
4660/24 |
0,75 |
5,0 |
3,0 |
2400 |
170 |
3,20-10-3 |
87 |
1,05 |
15,0 |
|
4680/24 |
1,1 |
7,4 |
4,5 |
2400 |
170 |
4,00-10-3 |
88 |
1,05 |
18,0 |
|
6638/24 |
1,5 |
9,8 |
6,1 |
2400 |
170 |
9,00-10-3 |
89 |
1,05 |
23,0 |
|
6657/24 |
2,2 |
14,5 |
8,9 |
2400 |
170 |
12,00-10-3 |
89 |
1,05 |
31,0 |
|
6681/24 |
3 |
19,8 |
12,1 |
2400 |
170 |
16,0-10-3 |
89 |
1,05 |
37,0 |
|
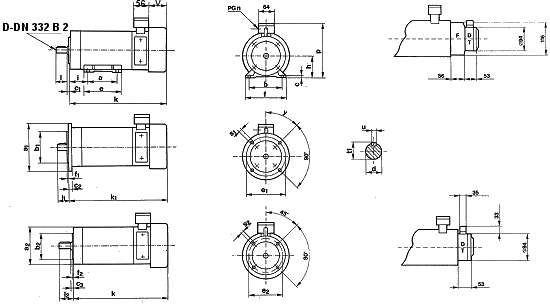
IP 44 PROTECTION MOTOR DIMENSIONS |
|
|
a |
b |
c |
e |
f |
a1 |
b1 |
c1 |
c2 |
c3 |
e1 |
f1 |
s1 |
a2 |
b2 |
e2 |
f2 |
s2 |
y |
h |
i |
k |
k1 |
p |
v |
d |
l |
l1 |
l2 |
f1 |
u |
|
34 |
12
16
25 |
80 |
100 |
10 |
105 |
125 |
140 |
95
j5 |
- |
5 |
- |
115 |
2 |
8,2 |
90 |
60
j6 |
75 |
2,5 |
M5 |
45° |
63 |
40 |
185
200
223 |
190
205
226 |
141 |
30 |
11
k6 |
23 |
18 |
- |
12,5 |
4 |
|
46 |
10
22
30 |
76,2 |
123,8 |
8 |
104 |
175 |
160 |
110
j6 |
8 |
8 |
8 |
130 |
3,5 |
8,5 |
114 |
70
j6 |
85 |
3,2 |
M6 |
45° |
89 |
65 |
167
185
221 |
175
193
229 |
191 |
2 |
14
k6 |
30 |
30 |
38 |
16 |
5 |
|
66 |
35
57
67
61
90 |
127 |
140 |
3,5 |
152 |
175 |
200 |
130
j6 |
8 |
14 |
3 |
165 |
4 |
12,5 |
165 |
114
27-0,07 |
127
2 |
2,5 |
3/8
UNC |
30° |
89 |
86,5 |
368
407
435
468
509 |
382
422
447
497
524 |
220 |
88 |
24
j6 |
50 |
45 |
58,5 |
27 |
8 |
|
|